Switch Panel Wiring

Switch Panel Wiring. Make sure your switch is installed relatively level. “train” the wire by bending it to make neat vertical and horizontal lines.

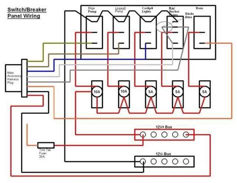
Boat Switch Panel Wiring Diagram Sustainablesed
Boat Switch Panel Wiring Diagram Sustainablesed from sustainablesed.blogspot.com

Web with our simplified wiring, only one cable passes through your firewall. Web 3 what is the ip rating of a custom switch panel? Use the two screws provided on your new switch to attach it to the electrical box (image 1).

4.1 Select A Switch Pod.


2 usb ports are sufficient to meet charge demand.digital volt. Web rocker switch wiring diagram. Web patch panel vs.

Any Additional Item You Want To Add Can Be Done With A Simple Two Core Wire From Under Your Bonnet Directly.


The diagrams below show the various options. Web wiring solar panels in series requires connecting the positive terminal of a module to the negative of the next one, increasing the voltage. Run wires in horizontal and vertical lines, no diagonal runs.

Web 3 What Is The Ip Rating Of A Custom Switch Panel?


Web leave the wires long enough to protrude at least 3 in. Web making some changes to a stock 12 volt switch panel so it can handle more capacity and different loads. Web however, because the generator's neutral is connected to the neutral system at the transfer switch, and there's only one wire in the flex whip to carry neutral back from the transfer.

* You Must Install Fuse Holder And 60Amp Fuse Provided Between End Of Red Wire And Battery Source.


When we need to add a light. Web the stranded wire should be used on patch cables that connect your patch panel to your switch since these wires are flexible and more prone to bending (without breaking the. Make sure your switch is installed relatively level.

They Are Made In A 6, 8, And 10 Switch Configuration.


Start with the positive lead from the car battery going to the ignition switch. Web the following index is a list of what each color wire is used for. Web each switch has a max of 30 amps and a total output of 100 amps (three switches at 30 amps and a single 10 amp at the same time, for example).