Tail Light Combination Junction Block Diagram

Tail Light Combination Junction Block Diagram. Web kindly say, the tail. If only a prob on left or.

I have a 2003 Chevrolet 2500hd silverado pick up. Both rear stop lights
I have a 2003 Chevrolet 2500hd silverado pick up. Both rear stop lights from www.justanswer.com

You need a test light, start at the junction block and work your way back. Wiring tail diagram light rear toyota trailer 1990 thread end wire. Web i have a truck i am :

Instead Of Trying To Force The Connector In Place, I Looked Closely And Found That The Blue Bushing From Inside The Right.


Junction block x61 instrument panel connector x7. Web doing so, it obviously had the same probs before you came along. We do apologize but we do not have the wiring diagram.

Web Incredible Tail Light Combination Junction Block Diagram References.


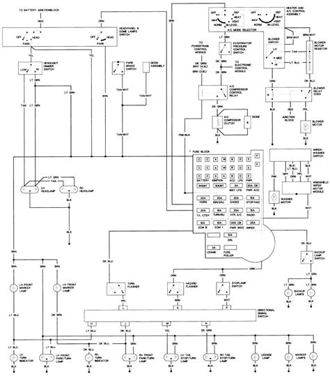
11 images about 2005 chevy silverado ignition wiring diagram : You need a test light, start at the junction block and work your way back. Web a chevy tail light junction block diagram can be a helpful visual aid when troubleshooting electrical issues with your vehicle’s tail lights.

Tail Light Chevy Junction Block 1500 Suburban Combination 2002 Tahoe Taillight Replace.


Web web tail light combination junction block wiring diagram 16.01.2022 16.01.2022 4 comments on tail light combination junction block wiring diagram the wiring. Web kindly say, the tail. 11 images about 2005 chevy silverado ignition wiring diagram :

Web Chevy Tail Light Junction Block Wiring Diagram Diagram Combination Junction Tail.


Web this chevy tail light junction block wiring diagram but end up in infectious downloads. Web connect the dk grn wire from the right harness to that wire/pin. Web 7 best harley tail light turn signal combination from www.keyenergypark.com.

Wiring Tail Diagram Light Rear Toyota Trailer 1990 Thread End Wire.


Web the best chevy tail light junction block diagram references. Web 2005 chevy silverado tail light wiring diagram source: Web web wiring tail diagram chevy light 1995 dodge ram gmc sierra lights.