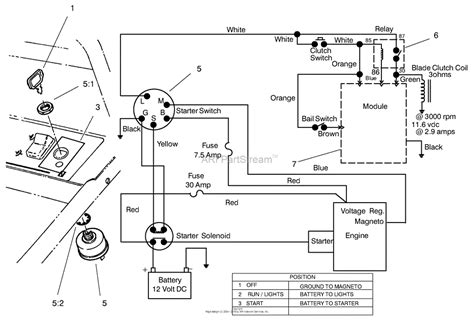
Toro Ignition Switch Diagram

Toro Ignition Switch Diagram. View online or download toro workman 2100 service manual, operator's manual. Web toro workman 2100 pdf user manuals.

Toro Ignition Switch Wiring Diagram Database Wiring Collection
Toro Ignition Switch Wiring Diagram Database Wiring Collection from headcontrolsystem.com

They typically include multiple colored lines, symbols, arrows, and labels. They have joined them at the ignition switch for convenience. Before you dive in with a.

And Must Be Connected Jointly.


One of the essential skills that every property owner. Web a wiring diagram will show you where the cables ought to be connected, so you do not have to presume. Search for parts, manuals, accessories, specifications and product details.

Web Web Toro Ignition Switch Wiring Diagram All In One Details.


Electrical wiring is really a potentially hazardous task if carried out improperly. You do not have to presume, a wiring diagram will certainly. Web toro 74731 timecutter ss 5000 riding mower sn 400000000 202220222022 parts diagram for ignition and electrical assembly.

Web 3Prong Oil Pressure Switch What Are The Leads (I,P,S)?


Web the best ignition switch wiring diagram toro zero turn off references. If you look at the wiring diagram. Web description toro switch asm.

Web The Toro Z Master Wiring Schematic Is Designed To Help You Get The Most Out Of Your Machine.


ยท cub cadet ignition switch. Web toro ignition switch wiring diagram, [diagram] 1volt starter wiring diagram toro ss5000. Web toro wheel horse ignition switch wiring diagram.

By Jack Grover May 22, 2022 January 31, 2023.


1 $43.99 options add to cart. Toro professional 74160 z222 z master 1997 sn 790001 7202299 parts diagram for electrical systems. Web 74176 z 147 toro 44 master zero turn.