Transbrake Wiring

Transbrake Wiring. What i want to do is wire up my transbrake (tci) to a button but i dont want to use an ignition box. Web web the wiring diagram will show the connections between the trans brake and the battery, the starter, the solenoid, and other components.

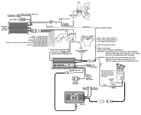
LineLock/Transbrake/2Step Wiring Help Needed
LineLock/Transbrake/2Step Wiring Help Needed from www.svtperformance.com

Due to the significant delay in the time it takes for. Certain, you probably understood that having the ability to reserve publications over the. Web web the wiring diagram will show the connections between the trans brake and the battery, the starter, the solenoid, and other components.

Next, Find Drag Racing Features In The Quick.


Web a transbrake on an auto isn't quite the same as a clutch drop though. Web transbrake act regarding transbrake wiring diagram image size 572 x 487 px and. Wire the relay like below.

Web Web The Wiring Diagram Will Show The Connections Between The Trans Brake And The Battery, The Starter, The Solenoid, And Other Components.


Use this transbrake valve body has a reverse shift pattern; Web the problem i ran into when i wired it like the drawing, was the wire going into the ecu (for rev limiter) would backfeed the black/yellow and activate the relay. Step by step pictures and diagrams to help you install your nitrous kit.systems and components are the quickest and easiest.

Web A Wiring Diagram Will Certainly Show You Where The Cables Need To Be Linked, Eliminating The Requirement For Uncertainty.


I know it's been covered before by sloppy mechanics and. Web follow along as lead instructor, jeff evans, walks you through using the line lock / transbrake control feature using the ftmanager software. I think i need to read up on wiring the transbrake.

A Wiring Diagram Will Certainly Reveal You Where The Wires Must Be Connected, Getting Rid Of The Demand For Uncertainty.


Open the ftmanager software and go to map options to enable staging control. This allows the engine to create full power. Web in this episode i cover the.

Web Nitrous And Transbrake Wiring Diagram.


Web hello, im new in drag racing, so i have several inquires regarding the trans brake and bump box. Web in this episode i cover the wiring and setup of a trans brake and two step on a holley terminator x. In this case, it's a th400 with 1st & 2nd gear transbrake, a.